汽車制造

高精、高效是數控的核心競爭力,智能是數控技術的發展方向。為了幫助用戶進一步提升機床產品性能,華中數控瞄準“管用、耐用、好用”的產品方向,推出了全新的華中8型數控系統V2.4產品,幫助用戶實現數控加工的“更精、更快、更智能”。
本系列微信以華中8型車削數控系統和華中8型銑削數控系統兩款為例,從面板功能介紹、編程、對刀、加工運行、基礎應用及維護等方面,幫您快速掌握華中8型數控系統的加工操作方法。
本期為您帶來的是
華中8型車削數控系統快速入門
——各類螺紋切削。
第六期:各類螺紋切削
1、標準直線螺紋加工及錐度螺紋加工
· 直螺紋加工循環
該循環執行如下圖所示A→B→C→D→A的軌跡動作:

· 錐螺紋加工循環
該循環執行如下圖所示A→B→C→D→A的軌跡動作。

如下圖所示直螺紋工件,用G92指令編程,毛坯外形已加工完成。

%3324
N1 T0101
N2G00 X35 Z104;選定坐標系G54,到循環起點
N3 M03 S300;主軸以300r/min正轉
N4 G92 X29.2 Z18 L2 F3;第一次循環切螺紋,切深0.8mm
N5 X28.6 L2;第二次循環切螺紋,切深0.6mm
N6 X28.2 L2;第三次循環切螺紋,切深0.4mm
N7 X28.04 L2;第四次循環切螺紋,切深0.16mm
N8 M30;主軸停、主程序結束
舉例:如下圖所示錐螺紋工件,用G92指令編程,毛坯外形已加工完成。

%3324
N1 T0101
N2G00 X90 Z4;選定坐標系G54,到循環起點
N3 M03 S500;主軸以500r/min正轉
N4 G92 X59.2 Z-24 R-1 F2;第一次循環切螺紋,切深0.8mm
N5 X58.6;第二次循環切螺紋,切深0.6mm
N6 X58.2;第三次循環切螺紋,切深0.4mm
N7 X57.8;第四次循環切螺紋,切深0.4mm
N8 X57.5;第五次循環切螺紋,切深0.3mm
N9 X57.4;第六次循環切螺紋,切深0.1mm
N10 M30;主軸停、主程序結束
· 螺紋切削復合循環(G76)
螺紋加工為成型加工,每刀切削量不可太大,故加工一個螺紋零件,常需求多次往復加工方可完成。
該指令可用1個循環指令,實現多次螺紋往復運動,最終完成螺紋零件的加工。其軌跡包括多次粗加工和至少一次精加工。
G76指令編程格式
G76 P(m)(r)(a) Q(Dd min) R(d)
G76 X(u) Z(w) R(i) P(k) Q(Dd) F(I)

G76螺紋復合循環加工軌跡,見下圖

每次往復有4段軌跡:
第一段軌跡A→B,R快速進給;
第二段軌跡B→C,F速螺紋進給;
第三段軌跡C→D,R快速進給(含E、R退尾軌跡);
第四段軌跡D→A,R快速進給。
螺紋復合循環切削深度設定,見下圖所示。

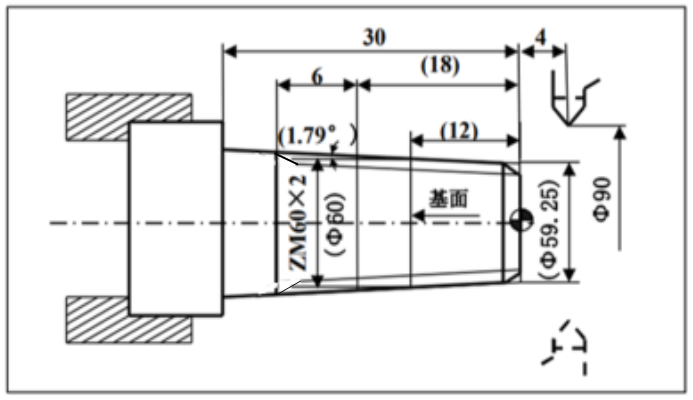
例1:用螺紋切削復合循環G76指令編程,加工螺紋為ZM60×2,工件尺寸見下圖,其中括弧內尺寸根據標準得到。(tan1.79=0.03125)。

%3331
T0101;換一號刀,確定其坐標系
G00 X100 Z100;到程序起點或換刀點位置
M03 S1000;主軸以1000r/min正轉
G00 X90 Z4;到循環起點位置
G90 X61.125 Z-30 R-1.063 F180 ?;加工錐螺紋外表面
G00 X100 Z100 M05;到程序起點或換刀點位置
T0202;換二號刀,確定其坐標系
M03 S500;主軸以500r/min正轉
G00 X90 Z4;到螺紋循環起點位置
G76P021060Q100R0.05
G76X58.15Z-24R-0.875P1300Q300 F2 ?;執行螺距為F2的錐螺紋加工
G00 X100 Z100;返回程序起點位置或換刀點位置
M30;主程序結束并復位
注意事項
1.按G76段中的X(x)和Z(z)指令實現循環加工,增量編程時,要注意u和w的正負號(由刀具軌跡AC和CD段的方向決定);
2.G76循環進行單邊切削,減小了刀尖的受力。第一次切削時切削深度為d,第n次的切削總深度為Δd√n,每次循環的背吃刀量為Δd(√n-√n-1);
3.在單邊切削圖中,B到C點的切削速度由螺紋切削速度指定,而其它軌跡均為快速進給;
4.螺紋切削過程中,進給保持和復位按鍵此時處于無效狀態
5.螺紋切削過程中,進給修調處于無效狀態;
6.為避免刀具干涉,螺紋切削循環的起點需設定在螺紋牙距的頂點以上的位置;
7.執行車錐螺紋功能時,螺紋螺距是以軸線的方式計算,而實際加工速度則是以母線的方式計算。
8.螺紋退尾的角度由用戶宏參數54010來設定;
2.跳刀螺紋斷削功能
車螺紋時,通過改變X方向的進退刀,實現斷削功能。暫不支持多頭。
指令格式:G1084 X_ Z_ E_ D_ F_(Q_)(I_)

注:螺紋退尾參數
編程舉例:
%1002(退尾通過用戶宏參數設置)
T0101
S300 M6
G0 X24 Z10
G1084 X18.0515 Z-30 E0.4 D0.97425 F1.5 (Q1.6) (I-0.2錐度計算)
M30
詳細說明:

跳刀螺紋圖:工件車削圖(上),XZ動作波形圖(下)
動作詳解如上圖所示,起刀位置受到X、D、E影響,計算公式為X+D*2-E*2(直徑編程X),跳刀螺紋斷削實際是分層車螺紋,最大層深為Emm,每層層深為Ei=E0 (√n-√(n-1)),包含兩個動作:
錐螺紋圖示:

注:錐度I應為起刀位置(B點)的X坐標到螺紋終點(E點)X坐標之差,帶符號。上圖中為B點和E點的X差。C點為有效螺紋終點。E點為BC延長線與終點DE的交點,DE平行于X軸,即當無退尾時,CE兩點重合。
編程舉例
例1:用螺紋切削復合循環G76指令編程,加工螺紋為ZM60×2,工件尺寸見下圖,其中括弧內尺寸根據標準得到。(tan1.79=0.03125)。

%3331
N1 T0101;換一號刀,確定其坐標系
N2 G00 X100 Z100;到程序起點或換刀點位置
N3 M03 S400;主軸以400r/min正轉
N4 G00 X90 Z4;到簡單循環起點位置
N5 G80 X61.125 Z-30 I-1.063 F80;加工錐螺紋外表面
N6 G00 X100 Z100 M05;到程序起點或換刀點位置
N7 T0202;換二號刀,確定其坐標系
N8 M03 S300;主軸以300r/min正轉
N9 G00 X90 Z4;到螺紋循環起點位置
#54010 = 45 ;退尾角度為45°
#54011 =10 ;;退尾長度為1倍螺距
#54019 = 0;90°退尾關閉
N10 G1084 X58.15 Z-24 I-0.875 D1.299 E0.4 Q0.8 F2
N11 G00 X100 Z100;返回程序起點位置或換刀點位置
N12 M05;主軸停
N13 M30;主程序結束并復位
斷削分析:
能夠斷削有如下原因:1、由于層間距不同,會出現“空刀”;2、層間疊加車削,積削厚度不一致,出現應力“脆點”;
而2倍螺距變化時,斷削的主要原因為因素一,斷削頻率為4f;1倍螺距變化時的主要斷削原因為因素二,斷削頻率為1f~2f。.
因此,若要實現螺紋斷削,必須要出現層間“空刀”,即單倍螺距深刀,與雙倍螺距淺刀的X值要交叉,這也是必要條件。“空刀”對應放大圖如下:

注意事項:
1.退尾受到三個用戶宏參數影響:54019,54010,54011,解釋參照上表;
2.跳刀回退量Q可缺省,為7/12E,若為外螺紋且定義Q,則跳刀回退距離可自定義;
3.起刀位置根據給定的X、D、E計算出來的;
4.使用退尾時,必須將000349改為角度制。
5.報警使用#3002,使用前請檢查是否支持此功能,測試代碼為:#3002 =1(測試),2.40.05.03_E2_B3可用
6.E/D/Q/I均為半徑值
3.網狀螺紋的成型加工
系統支持網狀螺紋成型加工


%1234
T0404
M3 S100
G0X40
Z5
#1=0
G0X30
WHILE[#1LT360]
G61
G32 Z-60 F30 P[#1]
G32 Z5 F30 P[#1]
G64
#1 = #1 + 30
ENDW
G0X40
Z100
M30